联系人:张先生
手机:15038218866
电话:150-3821-8866
邮箱:zzjdzhr@126.com
地址: 河南省周口市川汇区开元大道与通达路交叉口中兴新业港智慧产业园26号
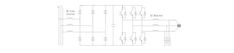
矿用能量回馈电抗器(四象限)
电抗器
矿用能量回馈电抗器

应用在矿山变频器中,由于使用环境恶劣,设备要求可靠性高,安全等级高,温升要求低。电抗器在设计时充分考虑矿山设备特殊要求,保证电抗器结构强度高,绝缘好,温升低,漏电流小,充分保证其安全等级。可改善输入电流波形和平衡度;抑制高次谐波,限制合闸涌流;提高系统功率因数。
产品特点
▶铁芯材料采用高磁通低损耗的硅钢片,确保电抗器具有较高的品质因数和较低的温升,稳定的电感线性度,达到更好的滤波效果。
▶线圈采用多层铜箔或铝箔绕制,层与层之间用绝缘纸绝缘,铜排或铜铝过渡排焊接引出,薄箔绕线圈绕制克服高谐波电流的趋肤效应,保证电流在导磁材料中充分利用,从而降低电流在线圈中电阻损耗,降低产品整体温升。
▶芯柱经多个气隙分成均匀小段,气隙采用环氧布板作为隔绝,以保证气隙在电抗器长期运行下而不发生变化。每段芯柱之间都使用强力粘贴胶,使硅钢片牢固地结合在一起,大大减小了运行时的噪音,且使机械强度更高。
▶电抗器的线圈和铁芯组装成一体后经过预烘、真空浸漆、热烘固化工艺流程,采用H级浸渍漆,确保电抗器不但绝缘性能好,而且机械强度高,具有较高的耐热等级和冷热冲击而不开裂。
▶外露结构件均采取了防腐蚀处理,引出端子采用镀锡铜端子。
▶环氧真空浸渍下线圈不吸水、局部放电量低,可在恶劣环境条件下安全运行。
▶干式电抗器比传统油浸式电抗器、空心电抗器的体积要小,具有重量轻、占空间小、结构简单、安装方便等特点。
产品原理图

产品尺寸图

技术参数

备注:非标规格容量均可定制
客服1